HOME-Au
HOME-Au
24h
24h
USA
USA
GOP
GOP
Phim Bộ
Phim Bộ
Videoauto
VIDEO-Au
Home Classic
Home Classic
Donation
Donation
News Book
News Book
News 50
News 50
worldautoscroll
WORLD-Au
Breaking
Breaking
 

Go Back   VietBF > Other News|Tin Khác > School | Kiến thức > School | Kiến thức 2006-2019


 
 
Thread Tools
  #1  
Old  Default Những điều có thể bạn chưa biết về những giọt nước mắt, tiết lộ bất ngờ về sức mạnh của tâm trạng
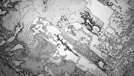
Nước mắt rơi do rất nhiều cảm xúc khác nhau. Khi buồn, vui, tức giận, thậm chí thái hành nước mắc cũng rơi. Vậy những giọt nước mắt của những tâm trạng khác nhau có khác nhau? Một ngày nọ, Rose-Lynn Fisher tự hỏi liệu những giọt nước mắt khi của cô khi cô buồn có khác nhiều so với những giọt nước mắt khi cô vui hay không, vì vậy cô bắt đầu khám phá chúng dưới kính hiển vi.

Cô nghiên cứu 100 giọt nước mắt khác nhau và phát hiện ra rằng những giọt nước mắt tự nhiên, được cơ thể chúng ta tạo ra để bôi trơn mắt rất khác biệt so với những giọt nước mắt chảy ra khi chúng ta bóc hành.

Những giọt nước mắt của sự hân hoan, vui mừng cũng không hoàn toàn giống những giọt nước mắt của nỗi buồn. Mỗi một giọt nước mắt nhỏ bé có mang trong đó những cách sắp xếp phân tử khác nhau liên quan tới cảm xúc của con người. Dự án của cô được gọi là “Chụp hình bản đồ nước mắt” – The Topography of Tears.

Giọt nước mắt do cười nhiều quá tạo thành



Giọt nước mắt của niềm đau



Nước mắt rơi do hành tây



Joseph Stromberg thuộc Hiệp hội Nghệ thuật và Khoa học Smithsonian giải thích rằng có ba loại nước mắt chính: cơ bản (được tiết ra để duy trì tình trạng bôi trơn cho mắt), phản xạ (được tiết ra nhằm đối phó với các yếu tố kích ứng như khi bị đập vào mắt hoặc khi bạn thái hành), và tâm linh (gây ra bởi cảm xúc). Tất cả các loại mắt đều chứa các chất hữu cơ bao gồm dầu, kháng thể và enzyme cùng nước muối.

Nước mắt cơ bản (được tiết ra để duy trì tình trạng bôi trơn cho mắt)



Nước mắt đoàn tụ



Các loại nước mắt khác nhau có các phân tử cũng khác biệt. Những giọt nước mắt cảm xúc có các hoocmon dựa trên protein bao gồm chất dẫn truyền thần kinh leucine enkephalin, một loại thuốc giảm đau tự nhiên được tiết ra khi chúng ta căng thẳng. Khi đem những giọt nước mắt đã được kết tinh muối soi dưới kính hiển vi, người ta sẽ thấy chúng có các hình dạng và kết cấu khác nhau. Cấu trúc của chúng trong các bức ảnh chủ yếu là muối kết tinh, với hình dạng khác biệt do bối cảnh hình thành và khô đi.

Nước mắt của sự khởi đầu và kết thúc



Nước mắt của tự do



Nước mắt của hy vọng



Nước mắt của sự hưng phấn



Nước mắt nhớ nhung



Có một cuốn sách mang tên “Thông điệp của nước” cũng bao gồm các bức ảnh chụp các tinh thể nước dưới kính hiển vi của Tiến sĩ Masaru Emoto, giám đốc Viện Hado (tổ chức IHM) ở Tokyo, Nhật Bản, và nhóm nghiên cứu của ông cũng cho thấy những kết quả trấn động. Nước có thể phản ứng khác nhau đối với sự ô nhiễm, âm nhạc và những suy nghĩ của con người hay các trạng thái cảm xúc khác nhau của chúng ta. Bạn có thể xem thêm tại đây để mở ra một cách nhìn mới đối với những hiện tượng khách quan kỳ bí tồn tại ngay cạnh mình.

Therealtz © VietBF
Dịch trang: EnglishEnglish DeutschDeutsch FrançaisFrançais EspañolEspañol ItalianoItaliano PortuguêsPortuguês
NorskNorsk NederlandsNederlands DanskDansk SuomiSuomi PolskiPolski ČeštinaČeština РусскийРусский
日本語日本語 한국어한국어 中文(简体)中文(简体) 中文(繁體)中文(繁體) MagyarMagyar TürkçeTürkçe
العربيةالعربية ไทยไทย LatinaLatina हिन्दीहिन्दी Bahasa IndonesiaBahasa Indonesia Bahasa MelayuBahasa Melayu
VIETBF Diễn Đàn Hay Nhất Của Người Việt Nam

HOT NEWS 24h

HOT 3 Days

NEWS 3 Days

HOT 7 Days

NEWS 7 Days

HOME

Breaking News

VietOversea

World News

Business News

Car News

Computer News

Game News

USA News

Mobile News

Music News

Movies News

History

Thơ Ca

Sport News

Stranger Stories

Comedy Stories

Cooking Chat

Nice Pictures

Fashion

School

Travelling

Funny Videos

Canada Tin Hay

USA Tin Hay

VietBF Homepage Autoscroll

VietBF Video Autoscroll Portal

Home Classic

Home Classic Master Page

VietBF iPad Music Portal

Tin nóng nhất 50h qua

Phim Bộ Online

Phim Bộ
Dịch trang: English | Deutsch |
Français | Español | Italiano |
Português | Norsk | Nederlands |
Dansk | Suomi | Polski |
Čeština | Русский | 日本語 |
한국어 | 中文(简体) | 中文(繁體) |
Magyar | Türkçe | العربية |



therealrtz
R10 Vô Địch Thiên Hạ
Release: 06-23-2017
Reputation: 234536


Profile:
Join Date: Nov 2014
Posts: 91,843
Last Update: None Rating: None
Attached Thumbnails
Click image for larger version

Name:	18.jpg
Views:	0
Size:	135.2 KB
ID:	1059806   Click image for larger version

Name:	18.1.jpg
Views:	0
Size:	88.0 KB
ID:	1059807   Click image for larger version

Name:	18.2.jpg
Views:	0
Size:	62.2 KB
ID:	1059808  

Click image for larger version

Name:	18.3.jpg
Views:	0
Size:	128.2 KB
ID:	1059809   Click image for larger version

Name:	18.4.jpg
Views:	0
Size:	75.5 KB
ID:	1059810   Click image for larger version

Name:	18.5.jpg
Views:	0
Size:	65.0 KB
ID:	1059811  

Click image for larger version

Name:	18.6.jpg
Views:	0
Size:	87.9 KB
ID:	1059812   Click image for larger version

Name:	18.7.jpg
Views:	0
Size:	84.7 KB
ID:	1059813   Click image for larger version

Name:	18.8.jpg
Views:	0
Size:	87.5 KB
ID:	1059814  

Click image for larger version

Name:	18.9.jpg
Views:	0
Size:	56.8 KB
ID:	1059815   Click image for larger version

Name:	18.10.jpg
Views:	0
Size:	85.2 KB
ID:	1059817   Click image for larger version

Name:	18.11.jpg
Views:	0
Size:	85.2 KB
ID:	1059818  

therealrtz_is_offline
Thanks: 28
Thanked 6,748 Times in 6,015 Posts
Mentioned: 4 Post(s)
Tagged: 0 Thread(s)
Quoted: 34 Post(s)
Rep Power: 114
therealrtz Reputation Uy Tín Level 10therealrtz Reputation Uy Tín Level 10therealrtz Reputation Uy Tín Level 10therealrtz Reputation Uy Tín Level 10therealrtz Reputation Uy Tín Level 10therealrtz Reputation Uy Tín Level 10therealrtz Reputation Uy Tín Level 10
therealrtz Reputation Uy Tín Level 10therealrtz Reputation Uy Tín Level 10therealrtz Reputation Uy Tín Level 10therealrtz Reputation Uy Tín Level 10therealrtz Reputation Uy Tín Level 10therealrtz Reputation Uy Tín Level 10therealrtz Reputation Uy Tín Level 10therealrtz Reputation Uy Tín Level 10therealrtz Reputation Uy Tín Level 10therealrtz Reputation Uy Tín Level 10therealrtz Reputation Uy Tín Level 10therealrtz Reputation Uy Tín Level 10therealrtz Reputation Uy Tín Level 10therealrtz Reputation Uy Tín Level 10therealrtz Reputation Uy Tín Level 10therealrtz Reputation Uy Tín Level 10therealrtz Reputation Uy Tín Level 10therealrtz Reputation Uy Tín Level 10
Dịch trang: EnglishEnglish DeutschDeutsch FrançaisFrançais EspañolEspañol ItalianoItaliano PortuguêsPortuguês
NorskNorsk NederlandsNederlands DanskDansk SuomiSuomi PolskiPolski ČeštinaČeština РусскийРусский
日本語日本語 한국어한국어 中文(简体)中文(简体) 中文(繁體)中文(繁體) MagyarMagyar TürkçeTürkçe
العربيةالعربية ไทยไทย LatinaLatina हिन्दीहिन्दी Bahasa IndonesiaBahasa Indonesia Bahasa MelayuBahasa Melayu
 
User Tag List


“Vũ hội 400 triệu USD ở Nhà Trắng”: Trump phá East Wing, dự án phòng khiêu vũ gây bão tranh cãi Trump ra lệnh mua 200 tỷ USD “trái phiếu thế chấp”: Lãi vay nhà ở Mỹ sắp hạ nhiệt? Minneapolis dậy sóng sau vụ ICE bắn chết công dân Mỹ: “ICE OUT!” vang giữa băng giá
Iran: Người dân đổ ra đường quyết lật độ chính quyền độc tài Berlin tê liệt giữa băng giá: 100.000 người mất điện vì vụ phóng hỏa bị gọi là “khủng bố” Bóng ma chiến tranh phủ lên bàn đàm phán: Nga dọa đánh thẳng lực lượng Anh–Pháp tại Ukraine
Iran bùng nổ biểu tình vì “không còn mua nổi gì”: đồng tiền rơi tự do, chính quyền chỉ còn… dùi cui Sau vụ đặc nhiệm bắt Maduro: Cabello nổi lên như nhân vật then chốt, Mỹ treo thưởng 25 triệu USD Ký sự phiếu cơm của Vietnam Airlines, Chuyện “claim” bồi thường EU: 600 euro có thật dễ ăn?
Hòa Giải Không Thể Là Mệnh Lệnh: Vì Sao Người Việt Quốc Gia Hải Ngoại Nói Không Bắt Tay Khi “Chính” Không Luôn Thắng “Tà” – Nhưng Lòng Nhân Vẫn Có Thể Cứu Một Đời Người Vĩnh Biệt Thầy Đặng Thông Phong – “Ngọn Núi” Aikido Của Người Việt
Nơi đây yên nghỉ các chiến sĩ lầm đường: Một tấm bia ở Tân Sơn Nhất và bài học về lòng nhân Bi kịch ở phi trường Salt Lake City: Một cơn khủng hoảng tâm thần, một lỗ hổng an ninh, và lá đơn kiện 300.000 USD Bi kịch trong ngôi nhà sang trọng ở Ohio: Nha sĩ và vợ bị bắn chết, hai con nhỏ vẫn an toàn
10 phút tới liền và cái giá phía sau: Hơn 200.000 shipper Ấn Độ đình công đêm giao thừa Biển Baltic lại đứt mạch: Phần Lan bắt tàu nghi kéo neo làm hỏng cáp nối Helsinki–Tallinn Cái cặp bí ẩn, Vecna và lời hẹn cuối: Stranger Things kết thúc trong nước mắt
Đụng ICE ngoài đường: Vì sao những vụ “xe tông xe” đang thành kịch bản đáng sợ ở Mỹ? Mỹ “khóa cửa” drone Trung Quốc: Thế hệ DJI mới chính thức hết đường vào! Mỹ phá cơ sở mại dâm của Trung Cộng đội lốt dưới vỏ kinh doanh massage
Chuyện cười ra nước mắt, dân Hàn Quốc đòi hạ cờ Việt Cộng! vì nhầm là “hàng Tàu” +video Đêm Noel đổi đời: Powerball nổ $1,817 tỷ ở Arkansas, cả nước “rụng tim” theo dõi Đập kính giữa Bolsa: Một buổi chiều mưa, một chiếc xe đen và chiếc “thẻ xanh” bốc hơi
Tranh chấp tiền làm móng ở Georgia: nữ nhân viên bị cáo buộc “giữ” bé trai 8 tuổi để đòi tiền Ngọc Quyên đóng cửa công ty ở Mỹ sau 11 năm: “Đây không phải thất bại” Ông Minh Chính bơ phờ vật vã vì mất chức thủ tướng, thế lực Hưng Yên tước hết toàn bộ quyền lực
Rò Rỉ Nhân Sự Đại Hội 14: Cuộc Mặc Cả Quyền Lực Giữa Công An – Quân Đội? Yamaguchi-gumi Rầm Rộ Họp Cuối Năm: Xã Hội Đen Lớn Nhật Nhật Bản Vẫn Sống Khỏe Giữa Thời “Văn Minh” Công nghiệp đẻ thuê cho tài phiệt Trung Quốc: Khi hộ chiếu Mỹ bị biến thành món hàng
Mẹ Cường "đô la" nguy cơ lại bị bắt Từ hiện tượng "Trumpugee", làm như thế nào để đi ra khỏi nước Mỹ? Kinh tế Việt Cộng nát như tương, Khi Gánh Thuế Nặng Hơn Gánh Hàng: Tiểu Thương Vật Vã Giữa Chợ Vắng Và Dự Án Tỷ Đô
Nhiều "nhà giàu" đi BMW, Lexus, Mercedes bán rau ở Bolsa : Bãi Đậu Xe Hóa Chợ Đuôi Xe Trần Đồng Lan (Lana Condor) – Cô Bé Mồ Côi Cần Thơ Trở Thành Minh Tinh Hollywood Những chuyện hài hước nhất hôm nay
Tướng tình báo Venezuela tiết lộ mạng lưới ma túy – gián điệp cắm sâu vào nước Mỹ? 5 tiểu bang lạnh nhất nước Mỹ (trừ Alaska) – và những nơi mùa đông ‘dễ thở’ cho người Việt Đàm phán Miami: Trump sốt ruột tìm hòa bình, Putin ung dung chờ thắng chậm
Khi Trump tái khởi động ‘chiến tranh ma túy’: từ tàu ma túy bị bắn chìm đến nỗi mất ngủ ở Caracas Mỹ thời Trump: Trục xuất người Iran về ‘địa ngục’, rồi dùng drone Iran để đánh Iran Donald Trump và học thuyết mới: Mỹ không còn làm ‘cảnh sát toàn cầu’
GDP giảm 0,1% và những con người mất trắng 100% sau bão lũ Michael và Susan Dell donate 6,25 tỷ USD vào “Tài khoản Trump”: Kho báu cho trẻ em Mỹ hay chỉ là cú khuyến đẻ kể cho vui? Đường sắt cao tốc 61 tỷ USD và ‘doanh nhân xù nợ’ 30 triệu
Những chuyện hài hước nhất hôm nay Mailisa bất ngờ “đóng cửa” giữa bão điều tra: Đế chế làm đẹp nghìn tỷ khép lại MAGA Đen - MAGA Đỏ - Giấc mơ đế chế dữ liệu của Peter Thiel và giới trọc phú công nghệ
Ánh đèn hiên nhà trong đêm bão tuyết: câu chuyện Lễ Tạ Ơn kỳ diệu sau 41 năm Xả súng gần Nhà Trắng: Bi kịch Lễ Tạ Ơn và cuộc chơi chính trị của Trump với hồ sơ di dân Afghanistan Từ Frankenstein đến Game of Drones: Khi công nghệ biến chiến tranh thành cuộc hỗn loạn vĩnh viễn
Biển lửa Wang Fuk Court: 65 người chết, Hồng Kông choáng váng trước “thảm họa giàn giáo tre” Biển lửa Wang Fuk Court: Thảm họa người già Hồng Kông và cuộc điều tra “sự cứu thả chết người” Chết cháy hàng loạt tại Hồng Kông, các toà nhà biến thành địa ngục, hàng trăm người mất tích
Black Friday ảm đạm ngoài phố, rực lửa trên livestream: Người Việt đổi kiểu săn sale Cánh tay phải của Zelensky ngã ngựa: Ukraine bị ép chọn giữa danh dự và đồng minh Tryptophan trên tiểu hành tinh Bennu: Phát hiện mới cho thấy “công thức sự sống” đến từ vũ trụ
Trump, Donetsk và “thỏa thuận không thể”: Ukraine bị ép vào góc hẹp của một nền hòa bình đẫm máu Từ Stalin tới Putin: 86 năm sau, bóng ma chiến tranh mùa đông vẫn ám ảnh đế quốc Nga Putin khen kế hoạch hòa bình của Mỹ nhưng dọa chiếm thêm đất nếu Kyiv không rút quân
Trump siết nhập cư sau vụ nổ súng: Rà soát toàn bộ thẻ xanh từ 19 “quốc gia đáng lo ngại” Thảm họa cháy chung cư ở Hong Kong: 128 người chết, hàng trăm người mất tích và những câu hỏi nhức nhối Cô gái Brazil bị trục xuất và nghịch lý cay đắng ngay trong gia đình phát ngôn viên Nhà Trắng
Đi Tesla “chôm” bưu kiện ở Irvine Kinh tế Nga gió ngược nhưng Putin chưa xuống thang California trước nguy cơ khát xăng
Ông Trump lạc đề Trước Trung ương 15 và Đại hội XIV Bóng đá lên hương, bụng dân vẫn lép
Người hùng trong vụ xả súng khủng bố ở Úc Biển Charlie Kirk Way dưới All American Way CPI rớt mạnh xuống 2,7%
Thời mafia lộng hành: Donald Trump và Vladimir Putin biến nền ngoại giao cổ điển trở thành chuyện làm ăn Sáu câu hỏi của thế hệ sau chiến tranh: Giải phóng ai, giải phóng khỏi điều gì? Báo động ngành nails: 5 người bị bắt, 2 tiệm niêm phong, chủ đối mặt án tù vì thuê người không giấy tờ
VinFast ở North Carolina đứng trước nguy cơ bị “thu hồi đất vàng”, Vingroup quay xe sang Ấn Độ với canh bạc 3 tỷ USD Bệnh khoe của và cơn nghiện “chứng tỏ mình” của người Việt thời mạng xã hội Khi Nhật Bản đứng trước cám dỗ hạt nhân: Bao lâu nữa Tokyo phải tự võ trang?
Sài Gòn “chập mạch” dễ thương: thành phố không thiếu tiền, chỉ dư tình người Zelensky tuyên bố sẵn sàng bầu cử giữa làn đạn, bác cáo buộc “trốn phiếu” của Trump Lời hứa muộn màng của người lính cũ
Khi doanh nghiệp Mỹ nổi loạn vì thuế quan Trump muốn học mô hình hưu trí “super” của Úc: Bắt buộc tiết kiệm cho tuổi già Từ cô thợ nails tị nạn đến chủ nhân căn nhà đắt nhất Atlanta
Thuế mới, phố vắng, chợ buồn: Nếu tiểu thương gục ngã, ai bán hàng cho 100 triệu dân? K+ khép lại sau 16 năm: Đế chế bóng đá trả tiền tàn cuộc chơi Người Vợ Lực Lượng Đặc Biệt – Hồi ức về Thiếu Tá Hồ Đăng Nhựt trong mùa Quốc Nạn
Viên tướng nhỏ thó gánh oan khiên Mậu Thân John Riordan – người Mỹ quay lại Sài Gòn để cứu 105 người Việt Evergrande: Từ đế chế số 1 đến quả bom nợ – Bài học nào cho Việt Nam?
Campuchia: Từ Thiên Đường Angkor Đến “Công Xưởng Tội Phạm” Của Mafia Trung Quốc Cuộc Xâm Lược Cuối Cùng Của Trung Quốc Và Trang Sử Bị Xóa Khỏi Ký Ức Việt Nam Vì Sao Số Nhà Ở Mỹ “Nhảy Cóc”? Giải Mã Từ House Number Đến ZIP Code
David Thái, Highlands Coffee Và Những Hành Trình “Đi Rồi Trở Về” Của Thuyền Nhân Việt Vì Sao Quân Đội Trung Quốc Không Đảo Chính? “Đảng Chỉ Huy Quân Đội” Và Nỗi Sợ Được Thể Chế Hóa Tâm Lý Vọng Ngoại Và Căn Bệnh “Bụt Nhà Không Thiêng”
Từ Giọt Nước Mắt Của Mẹ Đến Đế Chế Zara: Hành Trình Của Amancio Ortega “Tâm Hồn Nga” Và Cơn Say Đế Quốc: Từ Crimea Đến Putin “Bên kia vĩ tuyến” và lời tự thú của một Bắc Kỳ 1985

 
Lên đầu Xuống dưới Lên 3000px Xuống 3000px

iPad Videos Portal Autoscroll

VietBF Music Portal Autoscroll

iPad News Portal Autoscroll

VietBF Homepage Autoscroll

VietBF Video Autoscroll Portal

USA News Autoscroll Portall

VietBF WORLD Autoscroll Portal

Home Classic

Super Widescreen

iPad World Portal Autoscroll

iPad USA Portal Autoscroll

Phim Bộ Online

Tin nóng nhất 24h qua

Tin nóng nhất 3 ngày qua

Tin nóng nhất 7 ngày qua

Tin nóng nhất 30 ngày qua

Albums

Total Videos Online
Lên đầu Xuống dưới Lên 3000px Xuống 3000px

Tranh luận sôi nổi nhất 7 ngày qua

Tranh luận sôi nổi nhất 14 ngày qua

Tranh luận sôi nổi nhất 30 ngày qua

10.000 Tin mới nhất

Tin tức Hoa Kỳ

Tin tức Công nghệ
Lên đầu Xuống dưới Lên 3000px Xuống 3000px

Super News

School Cooking Traveling Portal

Enter Portal

Series Shows and Movies Online

Home Classic Master Page

Donation Ủng hộ $3 cho VietBF
Lên đầu Xuống dưới Lên 3000px Xuống 3000px
Diễn Đàn Người Việt Hải Ngoại. Tự do ngôn luận, an toàn và uy tín. Vì một tương lai tươi đẹp cho các thế hệ Việt Nam hãy ghé thăm chúng tôi, hãy tâm sự với chúng tôi mỗi ngày, mỗi giờ và mỗi giây phút có thể. VietBF.Com Xin cám ơn các bạn, chúc tất cả các bạn vui vẻ và gặp nhiều may mắn.
Welcome to Vietnamese American Community, Vietnamese European, Canadian, Australian Forum, Vietnamese Overseas Forum. Freedom of speech, safety and prestige. For a beautiful future for Vietnamese generations, please visit us, talk to us every day, every hour and every moment possible. VietBF.Com Thank you all and good luck.

Lên đầu Xuống dưới Lên 3000px Xuống 3000px

All times are GMT. The time now is 14:11.
VietBF - Vietnamese Best Forum Copyright ©2005 - 2026
User Alert System provided by Advanced User Tagging (Pro) - vBulletin Mods & Addons Copyright © 2026 DragonByte Technologies Ltd.
Log Out Unregistered

Page generated in 0.12477 seconds with 15 queries